插板式電液動卸灰閥
首頁 〉產品中心 〉插板式電液動卸灰閥

插板式電液動卸灰閥
該卸灰閥采用電液動推桿作動力源,對夾式灰渣(漿)閥作閥門,其閥體板動作靈敏,運行平穩,行程準確,有效地緩解沖擊力, 具有可靠過載保護能力。能按編程要求自動完成上、下閥的相互交替工作。確保在正壓或負壓狀態下卸灰,在設定的卸 料量后自動停止,閥門關閉,能解決小塊料粘結而堵塞及大塊料卡阻的缺陷。廣泛應用于冶金、礦山、建材、電力、化 工等工業生產流程需要遠程或現場控制卸灰(料)的過程中。
技術參數
型號編制規則
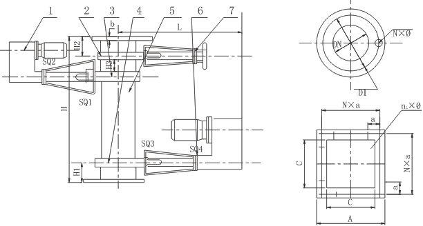
1.電液推桿 2.上灰渣(漿)閥 3.中灰渣(漿)閥 4.下灰渣(漿) 5.筒體 6.位置開關 7.支架
外形尺寸(mm)
進入產品系列〉
