錐閥(蘑菇頭)式電液動卸灰閥
首頁 〉產品中心 〉錐閥(蘑菇頭)式電液動卸灰閥

錐閥(蘑菇頭)式電液動卸灰閥
概述
錐閥(蘑菇頭)式電液動卸灰閥(單層、雙向、三層)是一種適用性強的新型更新換代產品,廣泛應用于冶金、礦山、電力、建材、化工等生產企業。它能夠實現遠程控制數字顯示、行程控制信號顯示或4-20mA微機控制。下面僅說明雙層卸灰閥的有關技術參數,有關單層、三層的參考雙層的即可。此外,氣動、減速機驅動的卸灰閥本公司也可生產制造。
結構特點
電液動卸灰閥由于采用電液動式回轉驅動器或電液推桿作動力源,故能夠使卸灰閥體動作靈敏、運行平穩、行程控制準確,有效地緩沖沖擊力,還具有可靠的過載保護能力,因此能確保安全可靠地工作。電液動式回轉驅動器體積小,無泄漏,便于安裝、調試與維護,在惡劣環境下不吸塵,不進水,內部不銹蝕,使用壽命長,克服以往人力和減速機作動力源時勞動強度高、工作環境差等缺點,同時也克服了氣動力源的高噪音,易產生灰塵污染,電動推桿無過載保護的弊端,因此電液動卸灰閥是一種應用性強的新型更換代產品。電液動式回轉驅動器或電液推桿帶動轉軸轉動,從而勞動連桿旋轉,以實現卸灰閥閥體的開啟和關閉。當雙層卸灰閥的上閥體開啟一定時間,順利卸實灰(料),并回轉關閉閥體接觸到位置開關,反饋電信弓下閥體打開卸灰(科),延遲一段時間待下閥體關閉后,重新開啟雙層卸灰閥的上閥體,如此循環往復動作,以達到既能充分卸盡灰(料),又能保證密封的要求。因此電液動雙層卸灰閥是為燒結廠、球團廠使用的燒結機、環式冷卻機(帶式冷卻機)、帶式焙燒機等設備而設計的最佳產品。
型號編制規則
主要技術參數
電液動回轉器驅動器驅動
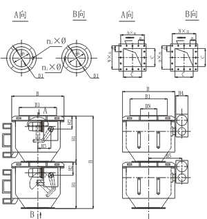
外形尺寸及技術參數表
電液推桿驅動
外形尺寸及技術參數表
進入產品系列〉
