扇形閘門
首頁 〉產品中心 〉扇形閘門

扇形閘門
用途
本系列扇形閘門廣泛應用于建材、冶金、礦山、電力、化工、輕工、糧食等行業,是各類落料系統的卸料控制裝置。
結構特點
本閘門結構簡單,采用優質鋼板焊接而成,采用電液推桿驅動,運行平穩,故障率低,可以快速切斷料流。
性能參數
型號說明
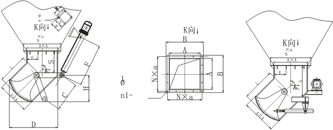
外形尺寸及技術參數表
外形尺寸及技術參數表
進入產品系列〉
扇形閘門
首頁 〉產品中心 〉扇形閘門

扇形閘門
用途
本系列扇形閘門廣泛應用于建材、冶金、礦山、電力、化工、輕工、糧食等行業,是各類落料系統的卸料控制裝置。
結構特點
本閘門結構簡單,采用優質鋼板焊接而成,采用電液推桿驅動,運行平穩,故障率低,可以快速切斷料流。
性能參數
型號說明
外形尺寸及技術參數表
外形尺寸及技術參數表
進入產品系列〉