電液推桿
首頁 〉產品中心 〉電液推桿

電液推桿
DYT型系列新型電動液壓推桿(簡稱電液推桿、推桿)是本廠生產的國家專利產品。該產品適用于需要往復推、拉直線(或往復旋轉一定角度)運動,也可用于需上升、下降或夾緊工作物的場所,并可進行遠距離高空及危險地區的集中或程序控制。廣泛應用于冶金、煤炭、電力、機械、糧食、水泥、化工、水利、運輸等部門,是通用的動力源。該產品與電動液桿、氣缸、液壓缸相比、具有如下優點:
1、可以帶負荷啟動,而電動推桿很困難。
2、具有超負荷保護能力,不會損壞電機和機件。
3、同一臺電液推桿其推、拉力可無級調節,因而驅動力范圍廣,這是電動推桿和氣缸所無法實現的。
4、在推力和速度相同的情況下,消耗的電能遠少于電動推桿。
5、采用全液壓傳動,動作靈敏、運行平穩,能有效緩沖外來的沖擊力,行程控制準確,而氣缸和電動推桿是做不到的。
6、采用機、電、液一體化全封閉結構,工作油路循環于無壓的封閉鋼筒里,體積小、不漏油,便于安裝、維修。在惡劣 的工作環境下,不吸塵,不進水,內部不銹蝕,使用壽命比氣缸和電動推桿長久。
7、投資小,氣缸需建空礦站,液壓缸需要液壓站,而電液推桿不需任何附屬設備。
工作原理
1、電液推桿是一種機電液一體化的新型柔性傳動機構,它以執行機構(油缸)、控制機構(液壓控制閥組)和壓力源(油泵、電機等)組成,根據現場空間位置的大小電液推桿主要有四種結構形式(見下圖)。電動機、油泵、液壓控制閥和液壓缸可裝在同一軸線上,也可按需要裝置在不同的軸線上。接通電動機電源,通過控制電動機正反轉,使雙向油泵輸出壓力油,經液壓控制閥送至油缸,實現油缸活塞桿的往復運動。
2、液壓控制閥組主要由溢流閥、液控單向閥等組成,也可以根據電液推桿的工作特性,設計不同功能的油路組合閥,滿足其工作要求。一般有推出自鎖、拉回自鎖和推拉都自鎖;整體推桿有水平使用、向上使用、向下使用等。
DYTF(DYTFX)型分離式電液推桿
配備說明
a、電液推桿配套電機功率不大于4kW時,油箱體帶有搬運手提把手,無油箱清洗口;當配套功率大干4kW時,油箱帶有起吊環,有油箱清洗口。
b、高壓油管可根據用戶實際需要配備(本廠配套限定2米)
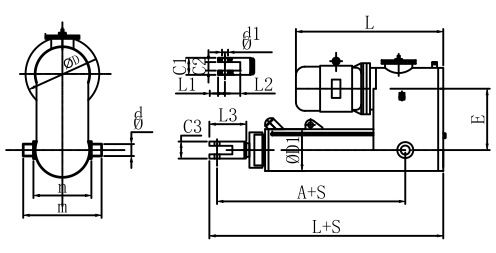
DYTPX型整體平行懸掛式電液推桿
注:
1、圖中S為推桿行程,行程優選系列: 300/500/800/門1000/門1 500/2000(mm 1.
2、圖中A+S值,用戶可以自己確定。
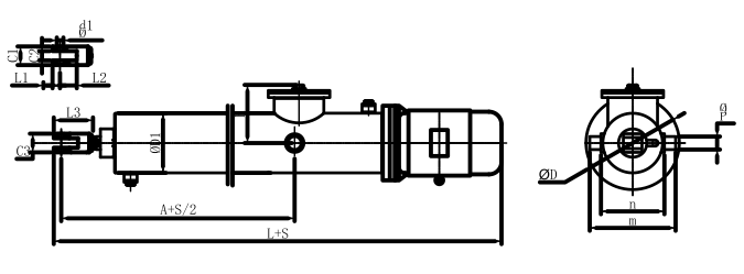
DYTP型整體平行擺動式電液推桿
注:
1、圖中S為推桿行程,行程優選系列:300/500/800/門1000/門1 500/2000(mm 1.
2、圖中A+S值,用戶可以自己確定。
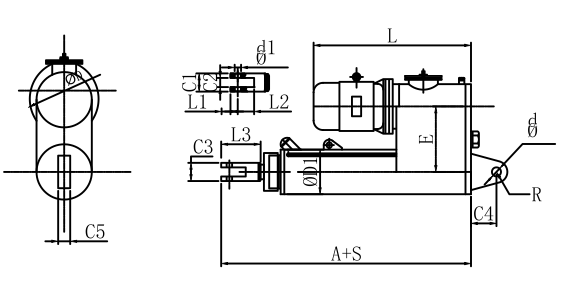
DYTZ型整體直式電液推桿
注:
1、圖中S為推桿行程,行程優選系列:300/500/800/1000/1500/2000(mm),
2、圖中A+S值,用戶可以自己確定。
進入產品系列〉
